배송 위치를 선택하세요.

국가/지역 페이지 선택은 가격, 선적 옵션 및 제품 가용성과 같은 다양한 요인에 영향을 줄 수 있습니다.
담당자
한국이구스

인천광역시 연수구 벤처로

12번길 42

+82 32 821 2911
+82 32 821 2913
KR(KO)

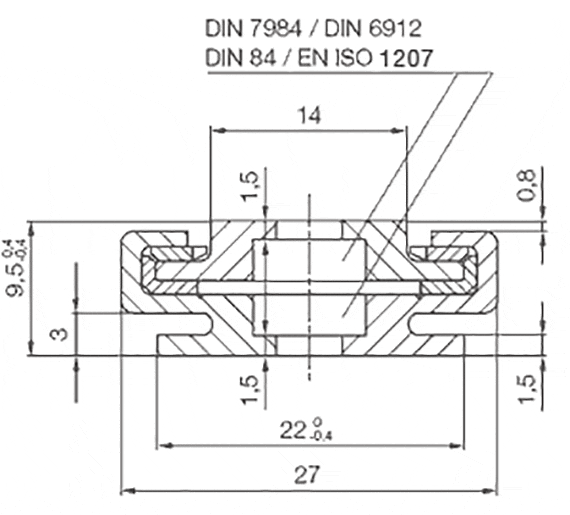
drylin® N - 로우 프로파일 직동 가이드 시스템 NW-04-27P

주문 번호 레일 무게 최대 레일 길이 m 당 가격  
  [g/m] [mm]    
10 - 15일 내 배송 (영업일 기준) NS-01-27 290 3000 50,800 KRW 장바구니에 추가
10 - 15일 내 배송 (영업일 기준) NS-01-27-UNGEBOHRT 290 3000 41,990 KRW 장바구니에 추가
10 - 15일 내 배송 (영업일 기준) NS-01-27-AR 290 3000 60,960 KRW 장바구니에 추가
선택된 부품에 대해 더 많은 정보:
3D CAD (캐드) 3D CAD (캐드)
견본주문 견본주문
PDF PDF
견적 요청 견적 요청
myCatalog myCatalog

버전 04: 스루 홀 포함 이중 캐리지

주문 번호 캐리지 무게    
  [g]    
10 - 15일 내 배송 (영업일 기준) NW-11-27-80-LLY 25 19,900 KRW 장바구니에 추가
당일 배송 NW-11-27-80-LLZ 25 19,900 KRW 장바구니에 추가
10 - 15일 내 배송 (영업일 기준) NW-11-27-80-LLYZ 25 19,900 KRW 장바구니에 추가
선택된 부품에 대해 더 많은 정보:
3D CAD (캐드) 3D CAD (캐드)
견본주문 견본주문
PDF PDF
견적 요청 견적 요청
myCatalog myCatalog

전체 시스템 주문하기

몇 가지 단계로 구성:

1. 캐리지 수 선택
2. 캐리지 유형 선택
3. 레일 길이 입력(mm)
4. 캐리지 옵션 선택
5. 레일 옵션 선택.

힌트:

자세한 내용은 아래에 언급된 페이지에서 뿐만 아니라 도면 아래에서 찾을 수 있습니다. 디자인 룰에서 자동 조심 무급유 베어링 옵션에 관한 정밀 사양을 얻을 수 있습니다.
1

자동 조심 베어링 제외

2

z 방향의 자동 조심 베어링

3

y 방향의 자동 조심 베어링

4

yz 방향의 자동조심 무급유 베어링

drylin® NK – 전체 세트

단계 1

필요한 캐리지 수량을 입력하세요.

technical drawing
캐리지 수량:


당일 배송
10 - 15일 내 배송 (영업일 기준)

용어 "Apiro", "AutoChain", "CFRIP", "chainflex", "chainge", "chains for cranes", "ConProtect", "cradle-chain", "CTD", "drygear", "drylin", "dryspin", "dry-tech", "dryway", "easy chain", "e-chain", "e-chain systems", "e-ketten", "e-kettensysteme", "e-loop", "energy chain", "energy chain systems", "enjoyneering", "e-skin", "e-spool", "fixflex", "flizz", "i.Cee", "ibow", "igear", "iglidur", "igubal", "igumid", "igus", "igus improves what moves", "igus:bike", "igusGO", "igutex", "iguverse", "iguversum", "kineKIT", "kopla", "manus", "motion plastics", "motion polymers", "motionary", "plastics for longer life", "print2mold", "Rawbot", "RBTX", "readycable", "readychain", "ReBeL", "ReCyycle", "reguse", "robolink", "Rohbot", "savfe", "speedigus", "superwise", "take the dryway", "tribofilament", "tribotape", "triflex", "twisterchain", "when it moves, igus improves", "xirodur", "xiros" 및 "yes" 는 독일 및 일부 외국에서 igus® SE & Co. KG/ Cologne의 법적 보호를 받는 상표입니다 이는 독일, 유럽연합, 미국 및/또는 기타 국가 또는 관할권에서 igus SE & Co. KG 또는 igus의 계열사가 보유한 상표(예: 출원 중인 상표 또는 등록 상표)의 전체 목록이 아닙니다.

igus® SE & Co. KG는 Allen Bradley, B&R, Baumüller, Beckhoff, Lahr, Control Techniques, Danaher Motion, ELAU, FAGOR, FANUC, Festo, Heidenhain, Jetter, Lenze, LinMot, LTi DRiVES, Mitsubishi, NUM, Parker, Bosch Rexroth, SEW, Siemens, Stöber 및 이 웹사이트에서 언급된 다른 모든 드라이브 제조업체의 어떠한 제품도 판매하지 않음을 알려드립니다. 이구스에서 공급하는 제품은 igus® SE & Co. KG의 제품입니다.