배송 위치를 선택하세요.

국가/지역 페이지 선택은 가격, 선적 옵션 및 제품 가용성과 같은 다양한 요인에 영향을 줄 수 있습니다.
담당자
한국이구스

인천광역시 연수구 벤처로

12번길 42

+82 32 821 2911
+82 32 821 2913
KR(KO)

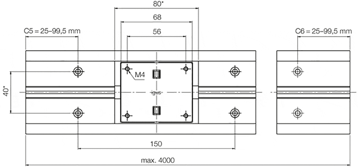
drylin® N - 로우 프로파일 직동 가이드 시스템 NK-02-80

02 타입 - 나사산 홀 포함 표준형
12 타입 - 나사 홀 포함 코팅됨
품번 최대 레일 길이 a C4 A3 C5=C6 h h1 K1* ly lz 레일 무게 m 당 가격  
  최대 길이       최소 max.       [mm2] [mm2] [g/m]    
10 - 15일 내 배송 (영업일 기준) NS-01-80 4000 80 150 40 25 99.5 11 1.5 M4 271200 2900 1140 88,780 KRW 장바구니에 추가
10 - 15일 내 배송 (영업일 기준) NS-01-80-AR 4000 80 150 0 20 99.5 11 1.5 27120 2900 1140 106,510 KRW 장바구니에 추가
10 - 15일 내 배송 (영업일 기준) NS-01-80-UNGEBOHRT 4000 80 0 0 11 1.5 27120 2900 1140 108,310 KRW 장바구니에 추가
선택된 부품에 대해 더 많은 정보:
3D CAD (캐드) 3D CAD (캐드)
견본주문 견본주문
PDF PDF
견적 요청 견적 요청
myCatalog myCatalog

보어가 없는 레일의 경우, 의견란에 "보어 없음"으로 표시하세요.
*헤드가 낮은 원통형 나사의 경우

02 타입 - 나사산 홀 포함 표준형:

주문 번호 명칭 캐리지 무게    
    [g]    
당일 배송 NW-02-80 표준형 캐리지 100 24,050 KRW 장바구니에 추가
10 - 15일 내 배송 (영업일 기준) NW-02-80-LLY 표준형 캐리지, y-방향 플로팅 베어링 100 24,050 KRW 장바구니에 추가
10 - 15일 내 배송 (영업일 기준) NW-02-80-LLZ 표준형 캐리지, z-방향 플로팅 베어링 100 24,050 KRW 장바구니에 추가
10 - 15일 내 배송 (영업일 기준) NW-02-80-LLYZ 표준형 캐리지, y 및 z-방향 플로팅 베어링 100 24,050 KRW 장바구니에 추가
선택된 부품에 대해 더 많은 정보:
3D CAD (캐드) 3D CAD (캐드)
견본주문 견본주문
PDF PDF
견적 요청 견적 요청
myCatalog myCatalog

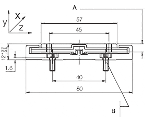
버전 02: 치수[mm] - 가이드 캐리지

품번 번호 H A C C1 C2 A2 H2 K2 K3 K4 Spmin. DpØmin. 중량
  ±0,35                       [g/m]
당일 배송 NW-02-80 12 57 80 68 56 45 0 M4 0 0 100
10 - 15일 내 배송 (영업일 기준) NW-02-80-LLY 12 57 80 68 56 45 0 M4 0 0 100
10 - 15일 내 배송 (영업일 기준) NW-02-80-LLZ 12 57 80 68 56 45 0 M4 0 0 100
10 - 15일 내 배송 (영업일 기준) NW-02-80-LLYZ 12 57 80 68 56 45 0 M4 0 0 100
선택된 부품에 대해 더 많은 정보:
3D CAD (캐드) 3D CAD (캐드)
견본주문 견본주문
PDF PDF
견적 요청 견적 요청
myCatalog myCatalog

12 타입 - 나사 홀 포함 코팅됨:

주문 번호 명칭 캐리지 무게    
   : [g]    
10 - 15일 내 배송 (영업일 기준) NW-12-80 사출 성형 캐리지 100 24,050 KRW 장바구니에 추가
10 - 15일 내 배송 (영업일 기준) NW-12-80-LLY 사출 성형 캐리지, y-방향 플로팅 베어링 100 24,050 KRW 장바구니에 추가
10 - 15일 내 배송 (영업일 기준) NW-12-80-LLZ 사출 성형 캐리지, z-방향 플로팅 베어링 100 24,050 KRW 장바구니에 추가
10 - 15일 내 배송 (영업일 기준) NW-12-80-LLYZ 사출 성형 캐리지, y 및 z-방향 플로팅 베어링 100 24,050 KRW 장바구니에 추가
선택된 부품에 대해 더 많은 정보:
3D CAD (캐드) 3D CAD (캐드)
견본주문 견본주문
PDF PDF
견적 요청 견적 요청
myCatalog myCatalog

버전 12: 치수[mm] - 가이드 캐리지

품번 번호 H A C C1 C2 A2 H2 K2 K3 K4 Spmin. DpØmin. 중량
  ±0,35                       [g/m]
10 - 15일 내 배송 (영업일 기준) NW-12-80 12 57 83 68 56 45 0 M4 0 0 100
10 - 15일 내 배송 (영업일 기준) NW-12-80-LLY 12 57 83 68 56 45 0 M4 0 0 100
10 - 15일 내 배송 (영업일 기준) NW-12-80-LLZ 12 57 83 68 56 45 0 M4 0 0 100
10 - 15일 내 배송 (영업일 기준) NW-12-80-LLYZ 12 57 83 68 56 45 0 M4 0 0 100
선택된 부품에 대해 더 많은 정보:
3D CAD (캐드) 3D CAD (캐드)
견본주문 견본주문
PDF PDF
견적 요청 견적 요청
myCatalog myCatalog

전체 시스템 주문하기

몇 가지 단계로 구성:

1. 캐리지 수 선택
2. 캐리지 유형 선택
3. 레일 길이 입력(mm)
4. 캐리지 옵션 선택
5.

힌트:

자세한 내용은 아래에 언급된 페이지에서 뿐만 아니라 도면 아래에서 찾을 수 있습니다. 디자인 룰에서 자동 조심 무급유 베어링 옵션에 관한 정밀 사양을 얻을 수 있습니다.
1

자동 조심 베어링 제외

2

z 방향의 자동 조심 베어링

3

y 방향의 자동 조심 베어링

4

yz 방향의 자동조심 무급유 베어링

drylin® NK – 전체 세트

단계 1

필요한 캐리지 수량을 입력하세요.

technical drawing
캐리지 수량:

* NW-12-80 버전의 캐리지 길이 = 83mm
M4(최대 조임 토크 1.2Nm)

정하중 수용력 및 영역 관성 모멘트

A = 나사 조임 깊이 최대 6.5mm
B = M4 (max. tightening torque 2,0 Nm)>
DIN 7984/DIN 6912/DIN 84
EN ISO 1707

당일 배송
10 - 15일 내 배송 (영업일 기준)

용어 "Apiro", "AutoChain", "CFRIP", "chainflex", "chainge", "chains for cranes", "ConProtect", "cradle-chain", "CTD", "drygear", "drylin", "dryspin", "dry-tech", "dryway", "easy chain", "e-chain", "e-chain systems", "e-ketten", "e-kettensysteme", "e-loop", "energy chain", "energy chain systems", "enjoyneering", "e-skin", "e-spool", "fixflex", "flizz", "i.Cee", "ibow", "igear", "iglidur", "igubal", "igumid", "igus", "igus improves what moves", "igus:bike", "igusGO", "igutex", "iguverse", "iguversum", "kineKIT", "kopla", "manus", "motion plastics", "motion polymers", "motionary", "plastics for longer life", "print2mold", "Rawbot", "RBTX", "readycable", "readychain", "ReBeL", "ReCyycle", "reguse", "robolink", "Rohbot", "savfe", "speedigus", "superwise", "take the dryway", "tribofilament", "tribotape", "triflex", "twisterchain", "when it moves, igus improves", "xirodur", "xiros" 및 "yes" 는 독일 및 일부 외국에서 igus® SE & Co. KG/ Cologne의 법적 보호를 받는 상표입니다 이는 독일, 유럽연합, 미국 및/또는 기타 국가 또는 관할권에서 igus SE & Co. KG 또는 igus의 계열사가 보유한 상표(예: 출원 중인 상표 또는 등록 상표)의 전체 목록이 아닙니다.

igus® SE & Co. KG는 Allen Bradley, B&R, Baumüller, Beckhoff, Lahr, Control Techniques, Danaher Motion, ELAU, FAGOR, FANUC, Festo, Heidenhain, Jetter, Lenze, LinMot, LTi DRiVES, Mitsubishi, NUM, Parker, Bosch Rexroth, SEW, Siemens, Stöber 및 이 웹사이트에서 언급된 다른 모든 드라이브 제조업체의 어떠한 제품도 판매하지 않음을 알려드립니다. 이구스에서 공급하는 제품은 igus® SE & Co. KG의 제품입니다.