배송 위치를 선택하세요.

국가/지역 페이지 선택은 가격, 선적 옵션 및 제품 가용성과 같은 다양한 요인에 영향을 줄 수 있습니다.
담당자
한국이구스

인천광역시 연수구 벤처로

12번길 42

+82 32 821 2911
+82 32 821 2913
KR(KO)

OCO 사무용 체인 - 디자인 연구

"easy" 디자인, 간편한 충진

사무용 체인 OCO.20은 사무실에 적합한 에너지 공급 시스템입니다. 정해진 반경이 없으며 두 방향을 이동 가능합니다. 매우 쉽게 길이 연장이 가능합니다. 장착 브라켓은 체인 링크와 매우 유사하며 OCO를 금속 책상에 쉽게 부착 할 수있는 내장 자석이 다릅니다. 두 개의 작은 구멍이 제공되는 데스크 피팅용 나사 연결도 가능합니다.
문의하기

기술력 향상

기술력 향상

  • 최적화된 디자인
  • 유연한 장착
  • 간편한 길이 조절
  • 간편한 부착을 위한 자석형
    마운팅 브라켓
  • e-chain® 링크의 고정력 최대 150N
비용 절감

비용 절감

  • "easy" 디자인으로 설치시간을 절약하고 도구가 필요 없습니다.
  • 원하는 길이만큼 주문 가능
  • 비용 효율적인 구매
Proof

Proof

  • e-chain® 유지력의 OCO.20 인장 테스트 : 3D 프린팅 프로토 타입에서 420 N의 유지력을 보여주는 성공적인 인장 테스트를 거쳤습니다.
안정성

안정성

  • 비스페놀 A 없음 (BPA프리)
  • 100% 할로겐 프리, 공공 건물 사용에 최적화
  • 이구스 chainge® 프로그램: 제조업체 상관없이 폐케이블을 수거해 재활용 하는 리사이클링 프로젝트
  • igus®는  지속 가능한 플라스틱 순환 경제를 지원하며, 플라스틱 폐기물을  원료로 되돌리는 화학적 재활용에도 투자하고 있습니다.

OCO.20 사무용 체인


간단한 원리:

쉬운 원리에 따른 개구부는 중간이 아니라 측면에 엇갈려 있습니다. 체인 링크를 번갈아 설치하면 슬롯이 엇갈리게되어 케이블을 쉽게 삽입 할 수 있지만 동시에 빠지지 않습니다.
OCO.20 사무용 체인

 
금속 책상에 쉽게 부착 할 수있는 내장 자석
OCO.20 사무용 체인

 
옵션으로 스크류 연결 가능

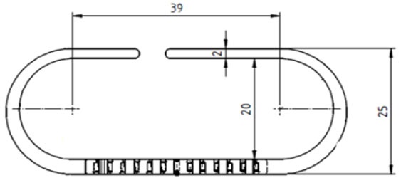
기술 데이터

사무용 체인 OCO.20 - 기술 데이터


부품 번호내부 높이외부 높이내부 폭외부 폭
OCO.2020 mm25 mm39 mm64 mm

배송 시간
 
문의하기

유사 제품

사무용 체인 OCR

사무용 체인 OCR

자유로운 중간 연결과 체인의 손쉬운 클리핑을 위한 자기 조립 클립
사무용 체인 ZF14

사무용 체인 ZF14

케이블을 신속하게 충진 빠른 부착 e체인 UL94-V2 인증
triflex R

3축 에너지체인 triflex R

간편한 설계 - 간단하고 빠른 충진용 체인 링크당 약 +/- 10° 토션



용어 "Apiro", "AutoChain", "CFRIP", "chainflex", "chainge", "chains for cranes", "ConProtect", "cradle-chain", "CTD", "drygear", "drylin", "dryspin", "dry-tech", "dryway", "easy chain", "e-chain", "e-chain systems", "e-ketten", "e-kettensysteme", "e-loop", "energy chain", "energy chain systems", "enjoyneering", "e-skin", "e-spool", "fixflex", "flizz", "i.Cee", "ibow", "igear", "iglidur", "igubal", "igumid", "igus", "igus improves what moves", "igus:bike", "igusGO", "igutex", "iguverse", "iguversum", "kineKIT", "kopla", "manus", "motion plastics", "motion polymers", "motionary", "plastics for longer life", "print2mold", "Rawbot", "RBTX", "readycable", "readychain", "ReBeL", "ReCyycle", "reguse", "robolink", "Rohbot", "savfe", "speedigus", "superwise", "take the dryway", "tribofilament", "tribotape", "triflex", "twisterchain", "when it moves, igus improves", "xirodur", "xiros" 및 "yes" 는 독일 및 일부 외국에서 igus® SE & Co. KG/ Cologne의 법적 보호를 받는 상표입니다 이는 독일, 유럽연합, 미국 및/또는 기타 국가 또는 관할권에서 igus SE & Co. KG 또는 igus의 계열사가 보유한 상표(예: 출원 중인 상표 또는 등록 상표)의 전체 목록이 아닙니다.

igus® SE & Co. KG는 Allen Bradley, B&R, Baumüller, Beckhoff, Lahr, Control Techniques, Danaher Motion, ELAU, FAGOR, FANUC, Festo, Heidenhain, Jetter, Lenze, LinMot, LTi DRiVES, Mitsubishi, NUM, Parker, Bosch Rexroth, SEW, Siemens, Stöber 및 이 웹사이트에서 언급된 다른 모든 드라이브 제조업체의 어떠한 제품도 판매하지 않음을 알려드립니다. 이구스에서 공급하는 제품은 igus® SE & Co. KG의 제품입니다.