배송 위치를 선택하세요.

국가/지역 페이지 선택은 가격, 선적 옵션 및 제품 가용성과 같은 다양한 요인에 영향을 줄 수 있습니다.
담당자
한국이구스

인천광역시 연수구 벤처로

12번길 42

+82 32 821 2911
+82 32 821 2913
KR(KO)

개선된 기술로 25% 이상 비용 절감

drylin® SLW 선형 모듈… 7개 설치 크기, 구성 가능한 맞춤형, 2-4일 후 납품

롤링 대신 글라이딩! dry-tech® 폴리머로 윤활유 없는 제품을 경험해 보십시오.

igus® SLW 모듈은 drylin® W 선형 구성 키트와 유지보수가 필요 없고 자체 윤활되는 dry-tech® 고성능 플라스틱을 기반으로 제작되었습니다. 윤활유가 베어링 소재에 포함되어 건조한 환경에 적합하고 사용 수명 전반에 걸쳐 유지보수가 필요하지 않습니다. 바로 설치할 수 있는 선형 모듈은 2-4일 후에 사용할 수 있습니다.

유지보수가 필요 없는 drylin® 구동 장치 기술

1.1. 이물질, 먼지, 습기 흡수에 우수한 내성

작업 중에도 접촉 표면에 입자가 붙지 않습니다.

작동 원리 세부정보

이물질, 먼지, 습기 흡수에 대한 내성이 우수합니다.

무급유 작동

drylin® 선형 베어링은 윤활유 없이도 작동하도록 설계되어 있습니다. 그러므로 어떤 용도에서도 그리스나 오일로 인한 오염이 발생하지 않습니다. 심한 먼지나 모래에서도 사용이 가능합니다.

igus® 테스트 완료

오물에 둔감

작동 중에도 접촉 표면에 먼지 입자가 붙지 않습니다. 여기서 글라이더의 정면은 와이퍼처럼 작용합니다. 접촉면은 청결하게 유지됩니다.

적용 사례

기저귀 생산 시스템

기저귀 생산 시스템

공장에서는 이물질 및 먼지에 상대적으로 많이 노출되는 초흡수체 및 펄프를 가공 처리합니다. 초고흡수성 폴리머 또한 모래와 비슷하게 행동하듯이 마찰의 결과로 먼지가 축적됩니다.

1.2. 저소음

작동 원리 세부정보

조용하고 부드럽게 작동합니다.

저소음

롤링에서 그라인딩으로 전환하여 작동 소음도 크게 줄었습니다. 하드 글라이딩으로 인해 심한 소음을 유발하는 기계적 롤링이나 볼 충돌이 발생하지 않습니다.

igus® 테스트 완료

저소음

미끄럼 운동은 소음이 매우 낮아서 약간의 마찰음만 들리게 됩니다.

응용 예

에지 테이커(Edge taker)

위치 표시기와 핸드 휠(외부에서 편리하고 위치 지정을 재현 가능)이 있는 drylin® SLW 선형 테이블 솔루션을 통한 웹 에지 탐지 및 인쇄 표시 인식용 센서의 형식 조정

1.3. 위생적인 청결함

작동 원리 세부정보

조용하고 부드럽게 작동합니다.

위생적인 청결함

iglidur® 플레인 베어링의 윤활유 없는 작동 속성은 오염이 심한 환경에서도 이점을 제공합니다. 윤활유가 없다는 점도 위생과 순도가 요구되는 응용 분야에서 중요한 기준이 됩니다.

검증됨

청정실에서도 사용이 가능합니다.

시험을 거친 drylin® 가이드는 클린룸에 가장 적합함을 보여줍니다. 다음 igus® drylin® 가이드 제품에 대해 테스트가 실시되었습니다. N40, W10, T25, T30.

응용 예

코더

윤활유를 사용하지 않기 때문에 위치 표시기와 핸드 휠이 있는 drylin® 스핀들 리프트 테이블이 치즈에 라벨을 붙이는 코더에서 사용됩니다.

1.4. 내부식성

작동 원리 세부정보

부식 작용

부식 및 접촉 내성이 뛰어납니다.

iglidur® 플라스틱 플레인 베어링은 모두 기본적으로 마모되지 않습니다. 부식성 용액, 산, 세척제 등에서 사용할 수 있는 특수 소재로 제작되어 매체 내성이 뛰어나므로 가장 열악한 조건에서 사용이 가능합니다. - 본 제품군은 수중 환경에서도 영구적인 사용이 가능한 특수 소재로 제작되었습니다.

igus® 테스트 완료

부식 및 접촉 내성이 뛰어납니다.

부식이 발생하지 않는 제품

상대 물질에 대해서도 면마찰 베어링 시스템의 내성은 똑같이 작용합니다. igus® 구성 키트는 스테인리스강으로 제작되어 부식이 발생하지 않습니다.

응용 예

검사 시스템

drylin® SLW 또는 SHT 선형 테이블이 카메라와 센서의 높이 조정을 해결합니다.

2. 베어링 소재

어떤 샤프트에도 사용 가능한 우수한 마모성을 갖춘 소재입니다.

작동 원리 세부정보

적은 마모 - 플레인 베어링 라이너는 고성능 폴리머로 제작되었습니다.

고성능 폴리머

SLW 선형 모듈은 플레인 베어링 소재에 대해서 응용 분야에 부합하도록 구성하고 공급할 수 있습니다. SLW 시스템의 표준 구성에는 내마모성의 iglidur® J/J200 소재로 만든 베어링이 포함됩니다. 스테인리스강과 결합하여 iglidur® X 소재로 만든 베어링과 엄지 나사 너트는 화학물질에 대한 극한의 내성을 요구하는 응용 분야에서 최고의 선택입니다. FDA 준수 iglidur® A180 소재는 특히 식품/제약 부문의 응용에 아주 적합합니다.

igus® 테스트 완료

선형 소재

iglidur® J

표준

최고의 마찰값

우수한 마모 내성

낮은 흡습성


iglidur® J200

알루미늄에 이상적

낮은 마찰 계수

양극산화 처리된 알루미늄으로 뛰어난 내마모성 제공


iglidur® A180

FDA 준수

식품 또는 제약 근처(또는 접촉)에서 직접 사용합니다.

낮은 흡습성


iglidur® X

-100°C ~ 250°C온도에서 사용 가능합니다.

내화학성

고압축 강도

igus® 테스트 완료

폭넓은 실험실 테스트와 다년간의 현장 경험을 통해 iglidur® J, J200, X 및 A180은 마모 및 마찰 특성이 우수하여 대부분의 선형 용도에 이상적인 소재임이 확인되었습니다.

3. 이상적인 하우징 베어링 소재의 선택

다양한 하우징 베어링 소재를 제공합니다.

아연 다이캐스팅: 비용 효율적인 표준 베어링

알루미늄: 경량 구성품

스테인리스강: 부식 내성이 우수하며 고온에서도 사용이 가능합니다.

돌려 맞추기 메커니즘: 앨런 키를 사용한 "돌려 맞추기" 기능으로 수동 간극 조정


4. 나사산 선택

나사산 종류

적은 마모 - 플레인 베어링 라이너는 고성능 폴리머로 제작되었습니다.

사다리꼴 나사산

SLW 선형 모듈의 표준 구성은 단일 시작 사다리꼴 엄지 나사가 장착되어 있으며 자동으로 잠깁니다. 즉, 외부 힘이 없어도 플랭크 각과 슬라이딩 마찰이 너트 또는 엄지 나사의 움직임을 방지합니다. 캐리지는 선택한 위치에 있습니다. 부식 내성 VA(1.4301/1.4305), C15 강철로 제작하고 알루미늄으로 코팅된 엄지 나사는 drylin® 사다리꼴 엄지 나사 너트와 함께 사용할 수 있습니다.

나사산 종류

경사진 쓰레드

고나선형 엄지 나사가 있는 drylin® 선형 모듈은 빠른 조정과 위치 조정 작업용으로 설치할 수 있습니다. 고나선형 엄지 나사는 부식 내성 스테인리스강(1.4021)으로 제작되었으며 자체 잠금 기능은 없습니다. 이로 인해 요구에 따라 선형 캐리지를 수동으로 빨리 이동해야 하는 응용 분야에 사용할 수 있습니다.

응용 예

형태 조정

유리 산업에서 병 구분을 위한 컨베이어에서 형식 조정에 사용할 수 있습니다.

5. drylin® W 레일 프로필

... 경질 양극산화 처리된 알루미늄
... 스테인리스강(크기 1040 및 2080)

작동 원리 세부정보

적은 마모 - 플레인 베어링 라이너는 고성능 폴리머로 제작되었습니다.

최적 작동 속성

SLW, SAW 및 ZLW 시리즈 유형의 선형 모듈은 윤활이 필요 없는 drylin® 선형 구성 키트를 기반으로 하고 있습니다. 토션 내성이 매우 뛰어난 알루미늄 프로필은 압출 가공기에서 생산됩니다. 표면은 경질 양극산화 처리되었으며, 마모 내성과 화학물질 내성이 우수하며 견고성도 뛰어납니다. dry-tech® 고성능 폴리머와 함께 사용할 수 있으며, 우수한 작동 특성과 예측 가능하고 긴 사용 수명을 제공합니다.

응용 예

내식성

V4A(1.4571) 소재로 제작된 가이드 샤프트를 기반으로 한 스테인리스강 SLW 모듈은 극한의 부식 내성을 요구하는 환경에서 사용할 수 있습니다.

igus® 선택 도구

제품 검색기 드라이브 기술

온라인으로 빠르고 편리하게 선형 장치를 비교하고 설계하며 구성하십시오.
 

 
전문가 및 사용 수명 계산을 통해 drylin® 시스템을 쉽게 완성할 수 있습니다.

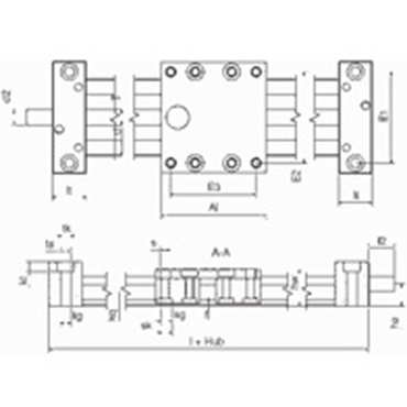
6. 7가지 설치 크기, 7가지 캐리지 폭

SLW 선형 모듈은 사용할 수 있는 설치 크기가 7가지입니다. 설치 크기 06 -25에서 사용할 수 있는 SLW 유형 시리즈에는 사용할 설치 규모에 해당하는 선형 모듈이 있습니다.

앵글형 이중 레일

설치 크기 30: 54mm

원형 이중 레일

설치 크기 1040: 73mm
설치 크기 1080: 107mm
설치 크기 1660: 104mm
설치 크기 2080: 153mm
설치 크기 25120: 195mm

7. 이상적인 캐리지 길이 선택

SLW 선형 모듈은 최고의 토크 지원을 위해 다양한 길이의 캐리지로 설치할 수 있습니다. 어떤 설치 크기에서도 멀티 캐리지 솔루션이 가능합니다.
설치 크기 06: 60/80/100
설치 크기 1040: 69/100/150
설치 크기 1080: 100/150/200
설치 크기 10120: 100/150/200
설치 크기 1660: 100/150/200
설치 크기 2080: 150/200/250
설치 크기 25120: 150/200/250

8. 다양한 스트로크 길이

작동 원리 세부정보

다양한 레일 제품이 제공됩니다.

밀리미터 단위 정확도까지 구성

SLW 선형 모듈은 밀리미터 단위까지 정확하게 구성할 수 있고 고객 요구사항에 따라 이상적으로 맞출 수 있습니다.

작동 원리 세부정보

최대 스트로크 길이

최대 스트로크 길이는 설치 크기에 따라 달라집니다.
 
설치 크기 0630: 300mm
설치 크기 1040: 750mm
설치 크기 1080: 750mm
설치 크기 1660: 750mm
설치 크기 2080: 1000mm
설치 크기 25120: 1250mm

작동 원리 세부정보

정숙한 스트로크 축 > 750mm

가이드 캐리지가 운반하는 이 스핀들 지지대를 통해 다양한 지점에서 스트로크 경로를 따라 자체적으로 위치하며 사용자는 750mm가 넘는 장거리 스트로크를 쉽게 구현할 수 있습니다.

9. 레일 직경

앵글형 이중 레일

설치 크기: 06mm

원형 이중 레일

설치 크기: 10mm, 16mm, 20mm, 25mm

11. 액세서리/옵션

동작 제어 액세서리

다양한 액세서리

수동 조정

빠르고 편리하게 수동 동작 제어를 설계하도록 drylin® SLW 선형 모듈에 대해 광범위한 액세서리 목록을 사용할 수 있습니다. 선형 장치에 바로 구성될 때, 장치를 완전히 조립하여 발송합니다.
<기타 액세서리:

위치 표시기

축 (굴대) 죄는 기구

핸드 휠

앵글형 구동장치

동작 제어 액세서리

모터 동력 동작 제어

SLW 시리즈 유형의 선형 모듈은 drylin® E 스테퍼 또는 DC 모터로 구성하거나 공급할 수 있습니다. 또한, 모터 키트, chainflex 전력 케이블, 근접 스위치, 기어박스 또는 갠트리 구조물의 어댑터 플레이트로 이루어진 다양한 액세서리를 제공할 수 있습니다.

응용 예

DryLin® E - "E"는 전기를 의미

윤활이 필요 없는 drylin® 구동 기술의 도구 상자와 시스템 개념의 지속적인 개발.
 
온라인으로 빠르고 쉽게 적합한 선형 테이블 및 모터를 비교하고 설계하며 구성하십시오.

추가 정보:


샘플 주문



용어 "Apiro", "AutoChain", "CFRIP", "chainflex", "chainge", "chains for cranes", "ConProtect", "cradle-chain", "CTD", "drygear", "drylin", "dryspin", "dry-tech", "dryway", "easy chain", "e-chain", "e-chain systems", "e-ketten", "e-kettensysteme", "e-loop", "energy chain", "energy chain systems", "enjoyneering", "e-skin", "e-spool", "fixflex", "flizz", "i.Cee", "ibow", "igear", "iglidur", "igubal", "igumid", "igus", "igus improves what moves", "igus:bike", "igusGO", "igutex", "iguverse", "iguversum", "kineKIT", "kopla", "manus", "motion plastics", "motion polymers", "motionary", "plastics for longer life", "print2mold", "Rawbot", "RBTX", "readycable", "readychain", "ReBeL", "ReCyycle", "reguse", "robolink", "Rohbot", "savfe", "speedigus", "superwise", "take the dryway", "tribofilament", "tribotape", "triflex", "twisterchain", "when it moves, igus improves", "xirodur", "xiros" 및 "yes" 는 독일 및 일부 외국에서 igus® SE & Co. KG/ Cologne의 법적 보호를 받는 상표입니다 이는 독일, 유럽연합, 미국 및/또는 기타 국가 또는 관할권에서 igus SE & Co. KG 또는 igus의 계열사가 보유한 상표(예: 출원 중인 상표 또는 등록 상표)의 전체 목록이 아닙니다.

igus® SE & Co. KG는 Allen Bradley, B&R, Baumüller, Beckhoff, Lahr, Control Techniques, Danaher Motion, ELAU, FAGOR, FANUC, Festo, Heidenhain, Jetter, Lenze, LinMot, LTi DRiVES, Mitsubishi, NUM, Parker, Bosch Rexroth, SEW, Siemens, Stöber 및 이 웹사이트에서 언급된 다른 모든 드라이브 제조업체의 어떠한 제품도 판매하지 않음을 알려드립니다. 이구스에서 공급하는 제품은 igus® SE & Co. KG의 제품입니다.