배송 위치를 선택하세요.

국가/지역 페이지 선택은 가격, 선적 옵션 및 제품 가용성과 같은 다양한 요인에 영향을 줄 수 있습니다.
담당자
한국이구스

인천광역시 연수구 벤처로

12번길 42

+82 32 821 2911
+82 32 821 2913
KR(KO)

신속한 분리 장치 포함 SHTP-FF 리프트 테이블

신속하게 분리가 가능한 장치가 포함된 SHTP 리프트 테이블은 정확한 포지셔닝과 신속한 수동 조정 기능을 제공합니다.

가볍고 견고한 폴리머 모델

빠른 위치 조정용

연동 브레이크 포함

자유롭게 선택 가능한 스트로크 길이

수평 어플리케이션에 권장

최대 정하중 축방향 하중 200N

최대 동적 축방향 하중 50N

이 항목에 대한 맞춤:


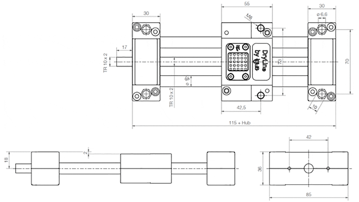
품번 번호 A Al H E1 E2 E3 l R f lt tk ts kt
  -0,3 -0,3   ±0,15 ±0,15 ±0,15 [mm] [mm] [mm] ±0,1 ±0,1    
10 - 15일 내 배송 (영업일 기준) SHTP-01-12-AWM-FF (1) 85 55 36 70 73 42.5 115 42 2 30 10 6.6 0
선택된 부품에 대해 더 많은 정보:
3D CAD (캐드) 3D CAD (캐드)
견본주문 견본주문
PDF PDF
견적 요청 견적 요청
myCatalog myCatalog

(1) iglidur® J로 된 라이너 및 사다리꼴 리드스크루 너트

품번 번호 sg d T l2 d2* ha 최대
스트로크 길이
중량 추가 중량
 
   
          표준형   [mm] [kg] 100 mm 당    
10 - 15일 내 배송 (영업일 기준) SHTP-01-12-AWM-FF (1) M6 12 TR10x2 17 TR10x2 18 500 0.35 0.11 문의하기로 장바구니에 추가
선택된 부품에 대해 더 많은 정보:
3D CAD (캐드) 3D CAD (캐드)
견본주문 견본주문
PDF PDF
견적 요청 견적 요청
myCatalog myCatalog

(1) iglidur® J로 된 라이너 및 사다리꼴 리드스크루 너트

누르기 > 해체하기 > 수동 조정 > 원하는 위치에 누르기 > 정밀 조정

추가 정보:


이 항목에 대한 맞춤:

당일 배송 drylin® E - 제품 개요

윤활이 필요 없는 drylin® 구동 기술의 도구 상자와 시스템 개념의 지속적인 개발.

당일 배송
10 - 15일 내 배송 (영업일 기준)

용어 "Apiro", "AutoChain", "CFRIP", "chainflex", "chainge", "chains for cranes", "ConProtect", "cradle-chain", "CTD", "drygear", "drylin", "dryspin", "dry-tech", "dryway", "easy chain", "e-chain", "e-chain systems", "e-ketten", "e-kettensysteme", "e-loop", "energy chain", "energy chain systems", "enjoyneering", "e-skin", "e-spool", "fixflex", "flizz", "i.Cee", "ibow", "igear", "iglidur", "igubal", "igumid", "igus", "igus improves what moves", "igus:bike", "igusGO", "igutex", "iguverse", "iguversum", "kineKIT", "kopla", "manus", "motion plastics", "motion polymers", "motionary", "plastics for longer life", "print2mold", "Rawbot", "RBTX", "readycable", "readychain", "ReBeL", "ReCyycle", "reguse", "robolink", "Rohbot", "savfe", "speedigus", "superwise", "take the dryway", "tribofilament", "tribotape", "triflex", "twisterchain", "when it moves, igus improves", "xirodur", "xiros" 및 "yes" 는 독일 및 일부 외국에서 igus® SE & Co. KG/ Cologne의 법적 보호를 받는 상표입니다 이는 독일, 유럽연합, 미국 및/또는 기타 국가 또는 관할권에서 igus SE & Co. KG 또는 igus의 계열사가 보유한 상표(예: 출원 중인 상표 또는 등록 상표)의 전체 목록이 아닙니다.

igus® SE & Co. KG는 Allen Bradley, B&R, Baumüller, Beckhoff, Lahr, Control Techniques, Danaher Motion, ELAU, FAGOR, FANUC, Festo, Heidenhain, Jetter, Lenze, LinMot, LTi DRiVES, Mitsubishi, NUM, Parker, Bosch Rexroth, SEW, Siemens, Stöber 및 이 웹사이트에서 언급된 다른 모든 드라이브 제조업체의 어떠한 제품도 판매하지 않음을 알려드립니다. 이구스에서 공급하는 제품은 igus® SE & Co. KG의 제품입니다.