배송 위치를 선택하세요.

국가/지역 페이지 선택은 가격, 선적 옵션 및 제품 가용성과 같은 다양한 요인에 영향을 줄 수 있습니다.
담당자
한국이구스

인천광역시 연수구 벤처로

12번길 42

+82 32 821 2911
+82 32 821 2913
KR(KO)

크로스 슬라이드 drylin® SHT/SHT-PL

크로스 슬라이드 특징

고정밀, CNC 생산으로 보강 및 정밀 정렬

표준형, 예압형 이용 가능

100% 무급유, 내부식성

사다리꼴 나사 TR 10x2로 조정

좌, 우측 정렬로 상부 유닛 장착이 가능

다양한 액세서리 이용 가능(핸드 휠, 커서 등)

크로스 슬라이드

다음 크로스 슬라이드 부품에 적합합니다:


SHT/SHT-PL - 크로스 슬라이드


일체형 크로스 슬라이드 시스템 주문

크로스 슬라이드 구성 단계:

1. 설치 사이즈 선택
2. 스트로크 길이 선택 (mm)
3. 액세서리 부품 선택

힌트:

자세한 내용은 아래 언급된 페이지에서 뿐만 아니라 도면과 표 아래에서 찾을 수 있습니다.

drylin® SHT/SHT-PL - 크로스 슬라이드 - 종합 시스템

단계 1

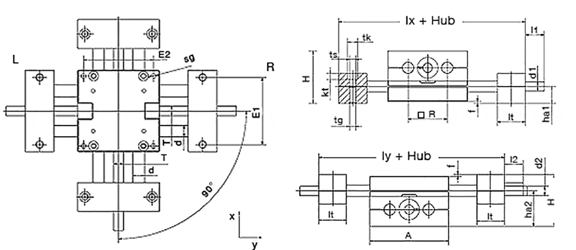
크로스 슬라이드의 설치 사이즈를 선택하세요.

technical drawing
설치 사이즈:

추가 정보 & 크로스 슬라이드 액세서리


크로스 슬라이드 길이 & 폭 [mm]

주문 번호 A
-0.3
[mm]
H
 
[mm]
E1
±0.15
[mm]
E2
±0.15
[mm]
베이스-
길이 lx
[mm]
베이스-
길이 ly
[mm]
R
 
[mm]
f
 
[mm]
lt
±0.1
[mm]
tk
 
[mm]
ts
 
[mm]
tg
 
kt
 
[mm]
SHT-XY-12 85 56 70 73 145 145 42 2 30 11 6.6 M8 6.4
SHT-XY-08 65 42 52 56 96 96 32 1.5 15.5 10 5.5 M6 7
SHT-XY-12-PL 85 56 70 73 145 145 42 2 30 11 6.6 M8 6.4
SHT-XY-20-EWM-PL 130 86 108 115 202 202 72 2 36 15 9 M10 8.6
선택된 부품에 대해 더 많은 정보:
3D CAD (캐드) 3D CAD (캐드)
견본주문 견본주문
PDF PDF
견적 요청 견적 요청
myCatalog myCatalog

크로스 슬라이드 사이즈 [mm]

주문 번호 sg
 

d
 
[mm]
T
 
l1
 
[mm]
d1
표준형
d1
대체품
l2
 
[mm]
d2
표준형
d2
대체품
ha1
 
[mm]
ha2
 
[mm]
W
ha2-ha1
[mm]
SHT-XY-12 M6 12 TR10x2 17 TR10x2 6h9 17 6h9 18 38 20
SHT-XY-08 M5 8 TR6x2/TR6.35x2.54 15.5 TR6x2/TR6,35x2,54 5 15 5 13 29 16
SHT-XY-12-PL M6 12 TR10x2 17 TR10x2 6h9 17 6h9 18 38 20
SHT-XY-20-EWM-PL M8 20 TR18x4 26 TR18x4 - 26 12h9 23 63 40
선택된 부품에 대해 더 많은 정보:
3D CAD (캐드) 3D CAD (캐드)
견본주문 견본주문
PDF PDF
견적 요청 견적 요청
myCatalog myCatalog
오른쪽이나 왼쪽에 장착할 Y-축의 핸드 휠을 주문할 수 있습니다.
왼쪽: x-방향에서 스트로크 길이가 200mm, y-방향에서 스트로크 길이가 300mm인 SHT-XY-12-AWM-L-200-300.
오른쪽: x-방향에서 스트로크 길이가 200mm, y-방향에서 스트로크 길이 300mm인 SHT-XY-12-AWM-R-200-300

다음 크로스 슬라이드 부품에 적합합니다:

당일 배송 drylin® E - 제품 개요

윤활이 필요 없는 drylin® 구동 기술의 도구 상자와 시스템 개념의 지속적인 개발.

당일 배송
배송 문의

용어 "Apiro", "AutoChain", "CFRIP", "chainflex", "chainge", "chains for cranes", "ConProtect", "cradle-chain", "CTD", "drygear", "drylin", "dryspin", "dry-tech", "dryway", "easy chain", "e-chain", "e-chain systems", "e-ketten", "e-kettensysteme", "e-loop", "energy chain", "energy chain systems", "enjoyneering", "e-skin", "e-spool", "fixflex", "flizz", "i.Cee", "ibow", "igear", "iglidur", "igubal", "igumid", "igus", "igus improves what moves", "igus:bike", "igusGO", "igutex", "iguverse", "iguversum", "kineKIT", "kopla", "manus", "motion plastics", "motion polymers", "motionary", "plastics for longer life", "print2mold", "Rawbot", "RBTX", "readycable", "readychain", "ReBeL", "ReCyycle", "reguse", "robolink", "Rohbot", "savfe", "speedigus", "superwise", "take the dryway", "tribofilament", "tribotape", "triflex", "twisterchain", "when it moves, igus improves", "xirodur", "xiros" 및 "yes" 는 독일 및 일부 외국에서 igus® SE & Co. KG/ Cologne의 법적 보호를 받는 상표입니다 이는 독일, 유럽연합, 미국 및/또는 기타 국가 또는 관할권에서 igus SE & Co. KG 또는 igus의 계열사가 보유한 상표(예: 출원 중인 상표 또는 등록 상표)의 전체 목록이 아닙니다.

igus® SE & Co. KG는 Allen Bradley, B&R, Baumüller, Beckhoff, Lahr, Control Techniques, Danaher Motion, ELAU, FAGOR, FANUC, Festo, Heidenhain, Jetter, Lenze, LinMot, LTi DRiVES, Mitsubishi, NUM, Parker, Bosch Rexroth, SEW, Siemens, Stöber 및 이 웹사이트에서 언급된 다른 모든 드라이브 제조업체의 어떠한 제품도 판매하지 않음을 알려드립니다. 이구스에서 공급하는 제품은 igus® SE & Co. KG의 제품입니다.