배송 위치를 선택하세요.

국가/지역 페이지 선택은 가격, 선적 옵션 및 제품 가용성과 같은 다양한 요인에 영향을 줄 수 있습니다.
담당자
한국이구스

인천광역시 연수구 벤처로

12번길 42

+82 32 821 2911
+82 32 821 2913
KR(KO)

drylin® SHT 드라이브 기술 구성기

고객이 직접 직동 축을 정의합니다. 배송은 당사에서 합니다!

시간을 절약하고 비용을 절감하세요. 몇 번의 마우스 클릭으로 리드 스크류와 함께 SHT 직동 모듈을 간편하게 온라인으로 결합하세요. 설치 사이즈, 재질, 리드 스크류 피치, 다중 캐리지, 오른쪽/왼쪽 반대 주행, 엔드 가공. 이 모든 것을 당사에서 할 수 있습니다. 고객의 직동 모듈이 어플리케이션 환경에 잘 맞습니까? 3D CAD 모델과 2D PDF 치수 도면이 포함되어 있는지 간편하게 확인할 수 있습니다. 고객의 직동 모듈을 수동 또는 모터를 사용하여 작동하기를 원하십니까? 당사는 위에 언급된 모든 것을 구현 할 수 있습니다. 액세서리와 필요한 모터만 선택하세요. 그리고 고객의 모터 또는 직동 축을 어떻게 제어하시나요? 이구스는 해당 작업도 수행할 수 있습니다. 적절한 dryve 모터 제어 시스템을 간단하게 주문하세요. 어떻게 주문을 하나요? 장바구니에 넣고, 주문하고, 배송을 받으세요. 이것이 이구스 서비스입니다.
SHT 구성 툴로 이동
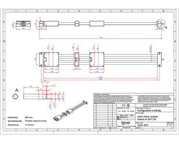
리드 스크류 포함 SHT 직동 축 구성

몇 단계로 리드 스크류 드라이브 포함 직동 축으로 이동

drylin® SHT 구성툴
  • 4가지 설치 사이즈에서 선택
  • 사다리꼴 나사산 또는 dryspin® 고나선형 나사산
  • 단일 및 다중 캐리지 버전
  • 식품 및 제약 분야에서 FDA-준수 버전을 구성할 수도 있습니다.
  • 신규: NEMA 스텝 모터; EC/DC 직류 모터, dryve 모터 제어 시스템, 근접 스위치, 연결 케이블

drylin® SHT 드라이브 기술 구성기 1. 어플리케이션 매개변수 입력
drylin® SHT 드라이브 기술 구성기 2. 시스템 구성
drylin® SHT 드라이브 기술 구성기 3. 드라이브 핀 또는 액세서리 구성
drylin® SHT 드라이브 기술 구성기 4. 요약 확인
drylin® SHT 드라이브 기술 구성기 5. 대화식 3D CAD 모델 보기
drylin® SHT 드라이브 기술 구성기 6. PDF 치수 도면 다운로드

이구스 제품으로 기술력 향상 기술력 증가
  • SHT 직동 모듈의 온라인 툴
  • 단일 또는 다중 캐리지 시스템 구성
  • 빠른 설치가 가능한 dryspin® 고나사산 또는 자가 잠금 사다리꼴 나사산
  • 바로 연결 가능 구성
이구스 제품으로 비용 절감

비용 절감

    • 직동 모듈의 간단한 온라인 구성
    • 모든 부품이 함께 장착됨
    • 바로 연결 가능한 시스템으로 설계 시간 단축 (직동 모듈/모터/dryve 모터 제어 시스템 포함)
    • 2D 치수 도면 및 3D 캐드 모델 포함
    이구스가 입증합니다. 확인/검증
    • 온라인 사용 수명 계산 서비스
    • 모든 온라인 툴 모델 이용 가능
    • 2D 치수 도면 및 3D 캐드 모델 포함
    이구스 제품은 지속 가능합니다. 안정성
    • igus®는 지속 가능한 플라스틱 순환 경제를 지원합니다. Plastic2Oil에서 이 주제에 대해 더 알아보기



    용어 "Apiro", "AutoChain", "CFRIP", "chainflex", "chainge", "chains for cranes", "ConProtect", "cradle-chain", "CTD", "drygear", "drylin", "dryspin", "dry-tech", "dryway", "easy chain", "e-chain", "e-chain systems", "e-ketten", "e-kettensysteme", "e-loop", "energy chain", "energy chain systems", "enjoyneering", "e-skin", "e-spool", "fixflex", "flizz", "i.Cee", "ibow", "igear", "iglidur", "igubal", "igumid", "igus", "igus improves what moves", "igus:bike", "igusGO", "igutex", "iguverse", "iguversum", "kineKIT", "kopla", "manus", "motion plastics", "motion polymers", "motionary", "plastics for longer life", "print2mold", "Rawbot", "RBTX", "readycable", "readychain", "ReBeL", "ReCyycle", "reguse", "robolink", "Rohbot", "savfe", "speedigus", "superwise", "take the dryway", "tribofilament", "tribotape", "triflex", "twisterchain", "when it moves, igus improves", "xirodur", "xiros" 및 "yes" 는 독일 및 일부 외국에서 igus® SE & Co. KG/ Cologne의 법적 보호를 받는 상표입니다 이는 독일, 유럽연합, 미국 및/또는 기타 국가 또는 관할권에서 igus SE & Co. KG 또는 igus의 계열사가 보유한 상표(예: 출원 중인 상표 또는 등록 상표)의 전체 목록이 아닙니다.

    igus® SE & Co. KG는 Allen Bradley, B&R, Baumüller, Beckhoff, Lahr, Control Techniques, Danaher Motion, ELAU, FAGOR, FANUC, Festo, Heidenhain, Jetter, Lenze, LinMot, LTi DRiVES, Mitsubishi, NUM, Parker, Bosch Rexroth, SEW, Siemens, Stöber 및 이 웹사이트에서 언급된 다른 모든 드라이브 제조업체의 어떠한 제품도 판매하지 않음을 알려드립니다. 이구스에서 공급하는 제품은 igus® SE & Co. KG의 제품입니다.