배송 위치를 선택하세요.

국가/지역 페이지 선택은 가격, 선적 옵션 및 제품 가용성과 같은 다양한 요인에 영향을 줄 수 있습니다.
담당자
한국이구스

인천광역시 연수구 벤처로

12번길 42

+82 32 821 2911
+82 32 821 2913
KR(KO)

SHT-12-ZB-AWM-10x12

직동 축의 제로 백래시 나사산 너트

성능이 입증된 SHT 직동 모듈은 이제 추가 구성품인 자가 조정 제로 백래시 나사산 너트로 보완됩니다. 반복적인 정확도를 요구하는 운동과 스팁 스레드 10x12 및 10x50을 사용하여 구현되는 운동을 위해, ZB가 최단 수명 백래시를 제공합니다.

무급유, 무보수

하중과 관계 없는 높은 정밀도

자동 조심

저소음

내부식성


적용 분야:실험실 및 의료 기술, 일반 기계 엔지니어링

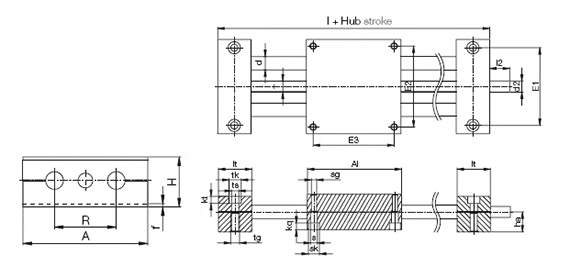
사이즈 [mm]

주문 번호 스트로크 길이 스틸 샤프트
추가 중량
최대 정하중 A Al H E1 E2 E3    
    [kg] (100mm당)[kg] 축방향[N] 축직각방향[N] -0,3 -0,3   +0,15 +0,15 +0,15    
배송 문의 SHT-08-ZB-AWM-6.35X12.7 (1) 300 0 100 400 65 65 23 52 55 55 문의하기로 장바구니에 추가
10 - 15일 내 배송 (영업일 기준) SHT-08-ZB-AWM-6X2P1 (1) 300 0 100 400 65 65 23 52 55 55 문의하기로 장바구니에 추가
배송 문의 SHT-12-ZB-10X12 (1) 500 0.8 0.2 150 600 85 34 70 73 73 문의하기로 장바구니에 추가
선택된 부품에 대해 더 많은 정보:
3D CAD (캐드) 3D CAD (캐드)
견본주문 견본주문
PDF PDF
견적 요청 견적 요청
myCatalog myCatalog

(1) 테이퍼 오프 스핀들 엔드

주문 번호 I R f lt tk
±0.1
ts tg kt
±0,1
s sk sg kq d T l2 d2 ha
배송 문의 SHT-08-ZB-AWM-6.35X12.7 (1) 96 32 1.5 15.5 10 5.5 M6 7 4.2 8 M5 4.6 8 6.35x12.7 17 6,35 13
10 - 15일 내 배송 (영업일 기준) SHT-08-ZB-AWM-6X2P1 (1) 96 32 1.5 15.5 10 5.5 M6 7 4.2 8 M5 4.6 8 TR6x2 17 TR6x2 13
배송 문의 SHT-12-ZB-10X12 (1) 2 11 6.6 M8 6.4 6.3 10 M6 6 12 10x12 17 10x12
선택된 부품에 대해 더 많은 정보:
3D CAD (캐드) 3D CAD (캐드)
견본주문 견본주문
PDF PDF
견적 요청 견적 요청
myCatalog myCatalog

(1) 테이퍼 오프 스핀들 엔드


10 - 15일 내 배송 (영업일 기준)
배송 문의

용어 "Apiro", "AutoChain", "CFRIP", "chainflex", "chainge", "chains for cranes", "ConProtect", "cradle-chain", "CTD", "drygear", "drylin", "dryspin", "dry-tech", "dryway", "easy chain", "e-chain", "e-chain systems", "e-ketten", "e-kettensysteme", "e-loop", "energy chain", "energy chain systems", "enjoyneering", "e-skin", "e-spool", "fixflex", "flizz", "i.Cee", "ibow", "igear", "iglidur", "igubal", "igumid", "igus", "igus improves what moves", "igus:bike", "igusGO", "igutex", "iguverse", "iguversum", "kineKIT", "kopla", "manus", "motion plastics", "motion polymers", "motionary", "plastics for longer life", "print2mold", "Rawbot", "RBTX", "readycable", "readychain", "ReBeL", "ReCyycle", "reguse", "robolink", "Rohbot", "savfe", "speedigus", "superwise", "take the dryway", "tribofilament", "tribotape", "triflex", "twisterchain", "when it moves, igus improves", "xirodur", "xiros" 및 "yes" 는 독일 및 일부 외국에서 igus® SE & Co. KG/ Cologne의 법적 보호를 받는 상표입니다 이는 독일, 유럽연합, 미국 및/또는 기타 국가 또는 관할권에서 igus SE & Co. KG 또는 igus의 계열사가 보유한 상표(예: 출원 중인 상표 또는 등록 상표)의 전체 목록이 아닙니다.

igus® SE & Co. KG는 Allen Bradley, B&R, Baumüller, Beckhoff, Lahr, Control Techniques, Danaher Motion, ELAU, FAGOR, FANUC, Festo, Heidenhain, Jetter, Lenze, LinMot, LTi DRiVES, Mitsubishi, NUM, Parker, Bosch Rexroth, SEW, Siemens, Stöber 및 이 웹사이트에서 언급된 다른 모든 드라이브 제조업체의 어떠한 제품도 판매하지 않음을 알려드립니다. 이구스에서 공급하는 제품은 igus® SE & Co. KG의 제품입니다.