단계적 중단 모델
신규 설계에 대하여 기술적으로 발전된 igus® E4.1 모듈 키트에서 E-Chain® E4.56의 사용을 권장합니다.
비지지 길이를 25% 이상 증대, 안정성과 인장 강도 향상, 크기와 장착 치수가 동일
시리즈 40는 기확보된 재고에 한하여 공급가능합니다. 제품과 관련한 지원과 재고 보관은 2012년부터 제한됩니다. 문의 사항이 있으시면 귀하의 지역에 있는 igus® 사무소에 연락하시기 바랍니다. 이해해주셔서 감사합니다.
E4.56 시리즈 바로가기
E-ChainSystem®을 개별적으로 구성할 수 있습니다. 페이지 끝에 있는 부품 목록에서 모든 입력과 변경이 이루어 집니다.
40 시리즈, 링크 마다 크로스바가 장착된 E-Chain®
1. KMA 마운팅 브라켓
2. 고정 또는 피봇팅 마운팅 브라켓 사용 가능
3. R88: 회전 가능 및 분리형 덮개
4. R88: 가로분리대 분리가능
5. 튜브와 체인 결합가능
6. 스트레인 릴리프 요소 통합가능
7.40/41:양쪽에서 크로스바 분리가능
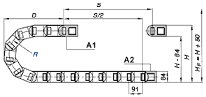
가용 내부 폭: 50 - 600 mm
가용 곡률 반경: 135 - 500 mm
피치: 91 mm / 링크 = 11 링크/m