단계적 중단 모델
신규 설계에 대하여 기술적으로 발전된 igus® E4.1 모듈 키트에서 E-Chain® E4.28의 사용을 권장합니다.
비지지 길이를 25% 이상 증대, 안정성과 인장 강도 향상, 크기와 장착 치수가 동일
시리즈 22는 기확보된 재고에 한하여 공급가능합니다. 제품과 관련한 지원과 재고 보관은 2012년부터 제한됩니다. 문의 사항이 있으시면 귀하의 지역에 있는 igus® 사무소에 연락하시기 바랍니다. 이해해주셔서 감사합니다.
E4.28 시리즈 바로가기
E-ChainSystem®을 개별적으로 구성할 수 있습니다. 페이지 끝에 있는 부품 목록에서 모든 입력과 변경이 이루어 집니다.
22 시리즈, 링크 마다 크로스바가 장착된 E-Chain®
1.KMA-마운팅 브라켓
2. 고정 또는 피봇팅 마운팅 브라켓 사용 가능
3. R76: 회전 가능 및 분리형 덮개
4. R76: 가로분리대 분리가능
5. 튜브와 체인 결합가능
6. 스트레인 릴리프를 마운팅 브라켓에 통합 가능
7. 22/23: 양쪽에서 크로스바 분리가능
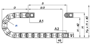
가용 내부 폭: 40 - 300 mm
가용 곡률 반경: 55 - 250 mm
피치: 46 mm/링크 = 22 링크/m