E-ChainSystem®을 개별적으로 구성할 수 있습니다. 페이지 끝에 있는 부품 목록에서 모든 입력과 변경이 이루어 집니다.
AG200 시리즈 - 체인, 스냅 오픈 타입이 아님
200 시리즈용 글라이드 슈즈 '오토 글라이드'. 매 1,000 - 2,000 mm까지 특수 플라스틱 글라이드 슈즈가 체인 링크에 측면으로 장착됩니다. 따라서 정확하게 측면 유도를 하며 E-Chain®이 원활하게 글라이딩 모션을 할 수 있도록 합니다.
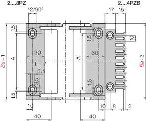
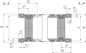
가용 내부 폭: 25 - 125 mm
가용 곡률 반경: 55 - 125 mm
피치: 46 mm/링크 = 22 링크/m