Series 141

단종예정품목
141.05.135.0.B product image
igus-icon-lupe
141.05.135.0.B technical drawing
igus-icon-lupe
2 의 1
141.05.135.0.B product image
141.05.135.0.B technical drawing
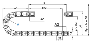
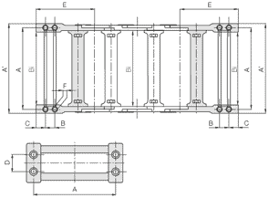
내부 높이 [Hi]
내부 높이 [Hi]
56 mm
최대 케이블 직경
최대 케이블 직경
50 mm
개방 방식
개방 방식
양쪽에서 개방가능
내부 폭 [Bi]
내부 폭 [Bi]
50 mm
곡률 반경 [R]
곡률 반경 [R]
135 mm
적합한지 확실하지 않으신가요?