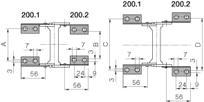
단계적 중단 모델
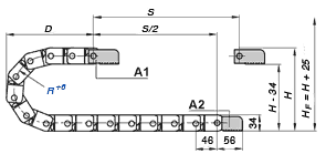
신규 설계에 대하여 기술적으로 발전된 igus® E2/000 제품군에서 E-Chain® 시리즈 2500의 사용을 권장합니다.
크로스바를 안정적으로 유지 고정, 개선된 개방 시스템, 더 긴 비지지 길이 및 동일한 치수
시리즈 20는 기확보된 재고에 한하여 공급가능합니다. 제품과 관련한 지원과 재고 보관은 2012년부터 제한됩니다. 문의 사항이 있으시면 귀하의 지역에 있는 igus® 사무소에 연락하시기 바랍니다. 이해해주셔서 감사합니다.
E2/000 2500 시리즈 바로가기
E-ChainSystem®을 개별적으로 구성할 수 있습니다. 페이지 끝에 있는 부품 목록에서 모든 입력과 변경이 이루어 집니다.