Series 350 Classic

단종예정품목
350.050.075.0 product image
igus-icon-lupe
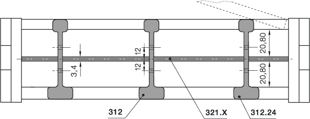
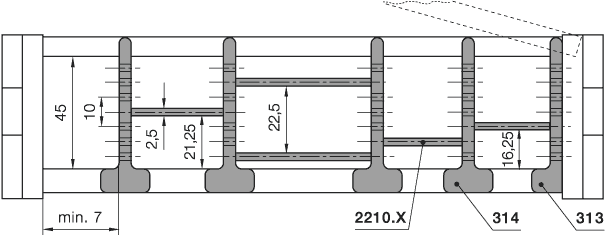
350.050.075.0 technical drawing
igus-icon-lupe
2 의 1
350.050.075.0 product image
350.050.075.0 technical drawing
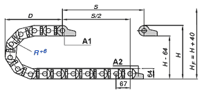
내부 높이 [Hi]
내부 높이 [Hi]
45 mm
최대 케이블 직경
최대 케이블 직경
42 mm
개방 방식
개방 방식
외부 반경을 따라 개방 가능
내부 폭 [Bi]
내부 폭 [Bi]
50 mm
곡률 반경 [R]
곡률 반경 [R]
75 mm